
Kotloff WS sustained fire solid-fuel boiler, (further into the text – boilers) meant for heating buildings and dwelling, household municipal, and manufacturing purpose with up to 90°С heat carries temperature, by using charcoal, wood material, wood refuse, fuel briquets or pellets in the capacity of fuel; as well as high-temperature hot water with intermediate heat exchanger’s usage. Boilers can function at both open and closed open expansion tank systems, with both forced and natural coolant circulation.
TECHNICAL SPECIFICATIONS
| Найменування параметру | Од. вим. | Найменування апарату | ||||
|---|---|---|---|---|---|---|
| 15 WS | 22 WS | 32 WS | 42 WS | 52 WS | ||
| ЦІНА | грн. | 21 674 | 23 863 | 26 309 | 30 524 | 33 037 |
| ТЕХНІЧНІ ХАРАКТЕРИСТИКИ: | ||||||
| 1. Номінальна теплова потужність | кВтл | 15 | 22 | 32 | 42 | 52 |
| 2. Витрати палива при номінальній потужності. Антрацит (6700 ккал) | кг/год. | 1,9 | 2,8 | 4,1 | 5,4 | 6,5 |
| 3. Витрати палива при номінальній потужності. Дрова (2600 ккал) | кг/год. | 4,4 | 6.5 | 9.5 | 12.4 | 15.2 |
| 4. Робочий тиск в системі опалення | бар | 1,5 | ||||
| 5. Діапазон регулювання температури води | °С | 50±90 | ||||
| 6. ККД, не менш | % | 89 | ||||
| 7. Діапазон регулювання потужності | кВт | 7-15 | 9-22 | 12-32 | 16-42 | 17-52 |
| 8. Гідравлічний опір | мбар | 18 | 20 | 20 | 20 | 20 |
| 9 Температура продуктів згоряння на виході, не менш | °С | 140 | ||||
| 10. Максимальний час горіння одного завантаження. Дрова | год. | 32 | 32 | 32 | 32 | 32 |
| 11. Максимальний час горіння одного завантаження. Вугілля | год. | 140 | 140 | 140 | 140 | 140 |
| 12. Аеродинамічний опір | Па | 23 | 26 | 27 | 30 | 35 |
| 13. Габаритні розміри: • діаметр • висота | мм | 540 2070 | 620 2070 | 720 2070 | 770 2070 | 840 2070 |
| 14. Діаметр приєднувальних патрубків | дюйм | 2 | 2 | 2 | 2 | 2 |
| 15. Діаметр димоходу | мм | 160 | 160 | 220 | 220 | 220 |
| 16. Об’єм топки | м³ | 0,18 | 0,22 | 0,32 | 0,37 | 0,45 |
| 17. Маса котла | кг | 195 | 225 | 267 | 288 | 316 |
TECHNICAL FUEL SPECIFICATIONS
– Anthracite: combustion heat – 6700÷8000 kcal/kg, moisture percentage – 4÷5 %, ash content – ≤ 25%, ignitable volatile compounds’ egress – ≤ 9%. Benefits: high content of carbon (up to 95%), burns in case of strong draft without flame, flavorless and a smokeless; high combustion heat that increases the new fuel portion laying interval; does not bake. Shortcomings – ignites badly.
– Black coal: combustion heat – 5000÷6700 kcal/kg, moisture percentage – 6÷12%, ash content – 15÷33 of %, ignitable volatile compounds’ egress – 4÷10 of %. Benefits: ignites well. Shortcomings: is able to bake depending on brand of coal; high exit of ashes.
Black coal fuel briquettes: – 5500÷7500 kcal/kg, moisture percentage – 10÷12%, ash content – ≤ 17%, ignitable volatile compounds’ egress – ≤ 9%. Benefits: ignites well, burns without smoke and releases no carbon monoxide; low exit of ashes.
– Brown coal: combustion heat – 3000÷4100 kcal/kg, moisture percentage – 30÷45%, ash content – ≤ 45%, ignitable volatile compounds’ egress – ≥ 45%. Benefits: ignites well; does not bake. Shortcomings: exit gases’ high emission of gaseous and firm particles; low combustion heat; spontaneous ignition.
– Brown-coal briquette: combustion heat – 3900÷4500 kcal/kg, moisture percentage – ≤ 23,5%, ash content – ≤ 28%, ignitable volatile compounds’ egress – ≥ 50%. Benefits: ignites well; does not bake; resistance to spontaneous ignition in case of long-term storage. Shortcomings: exit gases’ high emission of gaseous and firm particles.
– Peat briquette: combustion heat – 3700÷3900 kcal/kg, moisture percentage – ≤ 16%, ash content – ≤ 11%, ignitable volatile compounds’ egress – ≥ 50%. Benefits: ignites well; does not bake; resistance to spontaneous ignition in case of long-term storage; low exit of ashes. Shortcomings: low combustion heat.
– Fuel briquette (biofuel): combustion heat – 3850÷5000 kcal/kg, moisture percentage – ≤ 12%, ash content – ≤ 16%, ignitable volatile compounds’ egress – ≥ 10%. Benefits: ignites well; does not bake; resistance to spontaneous ignition in case of long-term storage; low exit of ashes; contains no harmful volatiles.
– Firewood: combustion heat – 2440÷2910 kcal/kg, moisture percentage – ≤ 25%, ash content – ≤ 1-3%. Benefits: ignites well; does not bake; resistance to spontaneous ignition in case of long-term storage; low exit of ashes; contains no harmful volatiles. Shortcomings: low combustion heat.
COPPER DEVICE
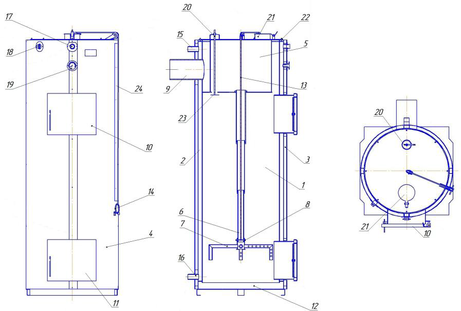
The copper’s design and its main geometrical sizes are given below in figure 1.
Copper is the steel cylinder surrounded by other steel cylinders of bigger diameter with a heater. The heat carrier heats up between cylinders.

Fig 1.
1. Firepot. 2. Cylindrical heat exchange facility. 3. Thermal insulation. 4.Boiler’s sheathing. 5. Cylindrical air heating camera. 6. Telescopic stack. 7. Air distributor. 8. Burner device fixing pin. 9.Chimney. 10. Charging door. 11. Clean sweep door group. 12. Fettling. 13. Hoisting cable. 14. Fixation distributor ring. 15. Coolant delivery stub tube. 16. Return water stub tube. 17. Draught limiter connection sleeve pipe. 18. Water-escape valve sleeve pipe. 19. Thermometer. 20. Secondary air admission controller. 21. Air shutter. 22. Upper cover. 23. Secondary air valve. 24. Fuel level indicator.
The fuel loading door 10, clean sweep door group 11, Draught limiter connection sleeve pipe 17, the thermometer 19 are located in the boiler’s front part. There are stack gases stub tube 9, coolant delivery stub tube 15, return water stub tube 16 in the back part of a boiler. The air damper 21 and the secondary air regulator 20 are located on the boiler’s upper cover 22. The air heating camera 5 is mounted for fuel burning quality and heat transmission improvement in the upper part of the combustion chamber. In order to avoid boiler bottom heating a row of a fire-clay brick (fettling) 12 is located in the lower part of a firepot 1 .
For optimum heat removal achievement between air heating camera and combustion chamber walls of a boiler there is a gap across the perimeter whereby the smoke, enveloping the air heating chamber, comes into the carry fumes hole.
The telescopic pipe of air supply 6 descends into combustion chamber, at the end of which fastens an air distributor burner device 7. On the right side of a copper, opposite to a door, there is a cable 13 for air delivery heaving with a ring 14 and the fixing hook.
The air distributor’s purpose is to give air into the burning zone evenly. The air distributor leans down the extent of fuel combustion under the force of its weight.
| Модель котла | А, мм | В, мм | С, мм | D, мм | Е, мм | F, мм | G, мм | Н, мм | Патрубки підключення, дюйм |
|---|---|---|---|---|---|---|---|---|---|
| 15 WS | 2070 | 540 | 925 | 1770 | 1785 | 145 | 159 | 1190 | 2 |
| 22 WS | 2070 | 620 | 925 | 1770 | 1785 | 145 | 159 | 1190 | 2 |
| 32 WS | 2070 | 720 | 1035 | 1770 | 1785 | 145 | 219 | 1190 | 2 |
| 42 WS | 2070 | 770 | 1040 | 1745 | 1785 | 145 | 219 | 1190 | 2 |
| 52 WS | 2070 | 840 | 1160 | 1745 | 1785 | 145 | 219 | 1190 | 2 |
