Твердопаливний котел тривалого горіння Kotloff WS

Отримати консультацію, замовити:

Твердопаливний котел тривалого горіння, (далі в тексті — котли) призначені для опалення будівель і споруд житлового, комунально-побутового і виробничого призначення з температурою теплоносія до 90°С, з використанням в якості палива антрациту, кам’яного вугілля, деревини, відходів деревини, паливних брикетів або пелет; а також для гарячого водопостачання при використанні проміжного теплообмінника. Котли можуть працювати як у відкритих, так і в закритих системах опалення, з примусовою і природною циркуляцією теплоносія

ТЕХНИЧНІ ХАРАКТЕРИСТИКИ КОТЛІВ ТРИВАЛОГО ГОРІННЯ

Найменування параметруОд. вим.Найменування апарату
15 WS22 WS32 WS42 WS52 WS
ЦІНАгрн.21 67423 86326 30930 52433 037
ТЕХНІЧНІ ХАРАКТЕРИСТИКИ:
1. Номінальна теплова потужністькВтл1522324252
2. Витрати палива при номінальній потужності. Антрацит (6700 ккал)кг/год.1,92,84,15,46,5
3. Витрати палива при номінальній потужності. Дрова (2600 ккал)кг/год.4,46.59.512.415.2
4. Робочий тиск в системі опаленнябар1,5
5. Діапазон регулювання температури води°С50±90
6. ККД, не менш%89
7. Діапазон регулювання потужностікВт7-159-2212-3216-4217-52
8. Гідравлічний опірмбар1820202020
9 Температура продуктів згоряння на виході, не менш°С140
10. Максимальний час горіння одного завантаження. Дровагод.3232323232
11. Максимальний час горіння одного завантаження. Вугіллягод.140140140140140
12. Аеродинамічний опірПа2326273035
13. Габаритні розміри:
• діаметр
• висота

мм

540
2070

620
2070

720
2070

770
2070

840
2070
14. Діаметр приєднувальних патрубківдюйм22222
15. Діаметр димоходумм160160220220220
16. Об’єм топким³0,180,220,320,370,45
17. Маса котлакг195225267288316

ТЕХНИЧНІ ХАКТЕРИСТИКИ ПАЛИВА

— Антрацит: теплота згоряння — 6700 ÷ 8000 ккал / кг, вологість — 4 ÷ 5%, зольність — ≤ 25%, вихід горючих летючих речовин — ≤ 9%. Переваги: великий вміст вуглецю (до 95%), горить при сильній тязі без полум’я, без запаху і диму; велика теплота згоряння, що збільшує інтервал закладки нової порції палива; НЕ спікається. Недоліки — погано запалюється.

— Кам’яне вугілля: теплота згоряння — 5000 ÷ 6700 ккал / кг, вологість — 6 ÷ 12%, зольність — 15 ÷ 33%, вихід горючих летючих речовин — 4 ÷ 10%. Переваги: добре займається. Недоліки: в залежності від марки вугілля може спікатися; великий вихід золи.

— Кам’яновугільні паливні брикети — 5500 ÷ 7500 ккал / кг, вологість — 10 ÷ 12%, зольність — ≤ 17%, вихід горючих летючих речовин — ≤ 9%. Переваги: добре займається, горять без диму і без виділення чадного газу; малий вихід золи.

— Буре вугілля: теплота згоряння — 3000 ÷ 4100 ккал / кг, вологість — 30 ÷ 45%, зольність — ≤ 45%, вихід горючих летючих речовин — ≥ 45%. Переваги: добре займається; не спікається. Недоліки: великий викид газоподібних і твердих часток у відпрацьованих газах; низька теплота згоряння; самозаймання.

— Буровугільний брикет: теплота згоряння — 3900 ÷ 4500 ккал / кг, вологість — ≤ 23,5%, зольність — ≤ 28%, вихід горючих летючих речовин — ≥ 50%. Переваги: добре займається; не спікається; стійкість до самозаймання при тривалому зберіганні. Недоліки: великий викид газоподібних та твердих часток у відпрацьованих газах.

— Торфяний брикет: теплота згоряння — 3700 ÷ 3900 ккал / кг, вологість — ≤ 16%, зольність — ≤ 11%, вихід горючих летючих речовин — ≥ 50%. Переваги: добре займається; не спікається; стійкість до самозаймання при тривалому зберіганні; невелика кількість золи. Недоліки: низька теплота згоряння.

— Паливний брикет (біопаливо): теплота згоряння — 3850 ÷ 5000 Ккал / кг, вологість — ≤ 12%, зольність — ≤ 16%, вихід горючих летючих речовин — ≥ 10%. Переваги: добре займається; не спікається; стійкість до самозаймання при тривалому зберіганні; невелика кількість золи; немає шкідливих летючих речовин. Недоліки: низька теплота згоряння.

— Дрова: теплота згоряння — 2440 ÷ 2910 ккал / кг, вологість — ≤ 25%, зольність — ≤ 1-3%. Переваги: добре займаються; не спікаються; стійкість до самозаймання при тривалому зберіганні; невелика кількість золи; немає шкідливих летючих речовин. Недоліки: низька теплота згоряння.

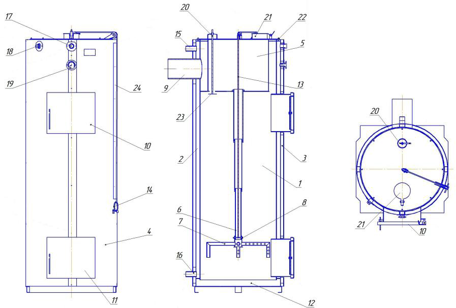
КОНСТРУКЦІЯ КОТЛА

Конструкція котла і основні геометричні розміри зображено нижче на малюнку 1.

Котел — це сталевий циліндр, оточений іншим сталевим циліндром більшого діаметру з теплоізолятором. Між циліндрами нагрівається теплоносій.

Малюнок 1.

1. Топка. 2. Циліндричний теплообмінник. 3. Теплоізоляція. 4. Обшивка котла. 5. Циліндрична камера для підігріву повітря. 6. Телескопічна труба. 7. Розподільник повітря. 8. Штифт кріплення пальника. 9. Димохід. 10. Дверцята для завантаження. 11. Дверцята для чищення. 12. Футеровка. 13. Трос для підйому. 14. Кільце фіксації розподільника. 15. Патрубок подачі теплоносія. 16. Патрубок зворотної води. 17. Муфта для підключення регулятора тяги. 18. Муфта підключення запобіжного клапана. 19. Термометр. 20. Регулятор подачі вторинного повітря. 21. Заслонка повітряна. 22. Кришка верхня. 23. Клапан вторинного повітря. 24. Вказівник рівня палива.

У передній частині котла знаходяться дверцята для завантаження палива 10, дверцята для чищення 11, муфта для приєднання регулятора тяги 17, термометр 19. У задній частині котла розташовано патрубок вихідних газів 9, патрубок подачі теплоносія 15, патрубок зворотної води 16. На верхній кришці котла 22 розташовані повітряна заслонка 21 і регулятор вторинного повітря 20. Для поліпшення якості горіння палива і передачі тепла в верхній частині камери згоряння встановлена камера підігріву повітря 5. Для уникнення нагріву дна котла в нижній частині топки 1 розташований ряд шамотної цегли (футеровка) 12.

Для досягнення оптимального тепловідводу між камерою нагріву повітря і стінками камери згоряння котла по всьому периметру є проміжок, по якому дим, охоплюючи камеру нагріву повітря, надходить в отвір відпрацьованих газів.

У камеру згоряння занурюється телескопічна труба подачі повітря 6, на кінці якої встановлено пальник-розподільник повітря 7. З правого боку котла, напроти дверцят, є трос 13 для підйому механізму подачі повітря з кільцем 14 та фіксуючим гачком.

Призначення розподільника повітря — поступово подавати повітря в зону горіння. Розподільник повітря спирається на шар палива і знижується донизу поступово зі згорянням палива під силою власної ваги.

ОСНОВНІ ГЕОМЕТРИЧНІ РОЗМІРИ

Модель котлаА, ммВ, ммС, ммD, ммЕ, ммF, ммG, ммН, ммПатрубки
підключення,
дюйм
15 WS2070540 9251770178514515911902
22 WS2070620 9251770178514515911902
32 WS207072010351770178514521911902
42 WS207077010401745178514521911902
52 WS207084011601745178514521911902

ВИМОГИ ДО ПРИМІЩЕННЯ

Котел встановлюється в приміщеннях, які відповідають нормативним вимогам до приміщення котельні. Висота приміщення, в якому буде встановлено котел, повинна бути не менше 250 см., площа повинна бути більше 4 м2. Приміщення котельні обов’язково повинно бути ізольоване від опалювальних житлових приміщень та обладнано вентиляційним каналом, вікном або отвором в зовнішній стіні, щоб повітря зовні легко потрапляло в котел та вентиляційний канал.

Конструкція котла дозволяє встановлювати його на вогнетривку підлогу без додаткової підготовки, так як він змонтований на сталевій рамі і має теплоізольоване герметичне дно.

ВИМОГИ ЩОДО ДИМОВОЇ ТРУБИ

Висота вертикальної ділянки димової труби повинна бути не менше 4,5 м., відповідати нормам вітрового підпору (мал.3) і забезпечувати розрідження в димоході 25 — 45 Па. Діаметр димової труби повинен відповідати діаметру димоходу котла.

Прокрутка до верху

Оформити замовлення

    Ваше ім'я (обов'язково)

    Ваш e-mail (обов'язково)

    Тема

    Повідомлення